Concrete structure unsuitable for carbon fiber strengthening

Carbon fiber reinforced polymer(CFRP) wrap can be successfully used for concrete structure, seismic shear and flexural strengthening. But it should be pointed out that because many inherent characteristics of CFRP reinforcement structure, many concrete structures are not suitable for strengthening with carbon fiber, so it is necessary to analyze their applicability.

2018-03-09 15:56:31

Key points for old building retrofitting

In the modern society, because of the economic and political development, many existing buildings can not meet the needs of the present stage. It is necessary to reinforce the old buildings.

2020-03-25 10:43:58

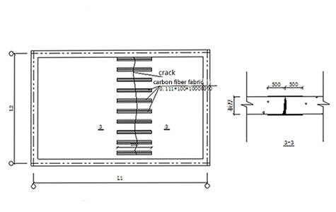
Strengthening technique with carbon fiber fabric

Unidirectional carbon fiber fabric is used for beam and slab flexural reinforcement, and beam, column, wall shear reinforcement, confined concrete for seismic strengthening of columns, also for crack repair and dynamic load member reinforcement, reinforcement and repair.

2020-03-25 10:44:49

Which method is suitable for the column seismic reinforcement?

There are many kinds of seismic strengthening methods for columns. CFRP sheet is one of the most recent reinforcement data in recent years. It is very effective for reinforced concrete under bending, axial compression, large eccentric compression and tensile member reinforcement.

2020-03-25 10:49:25

Carbon fiber fabric

In view of durability and safety considerations, the raw material for structural reinforcement carbon cloth is polyacrylonitrile fiber (PAN).The unidirectional carbon fiber fabric used for structural reinforcement is easily soaked by adhesive and is generally used in 12K small tow knitting and 24K small tow knitting.

2020-03-25 10:51:15

Reinforcement of Pre-stressed CFRP plate

Prestressed carbon fiber plate strengthening technology is a kind of active reinforcement technology applied to bridge and long-span beam and other flexural members. It is popular because of its advantages of not increasing self weight and unloading.

2020-03-25 10:55:41
 325   first Previous 53 54 55 56 57 58 59 60 61 Next last 
Back
Top
Close